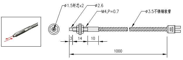
1m线长
                           
                           | 
                      ||||
| 
                          1m线长
                        
                         
                            | 
                      ||||
1m线长
                         
                       | 
                      ||||
1m线长
                         
                       | 
                      
WF-H85
WF-H87
                
              
WF-H83C
                
              
WF-H38K